- 如果您对该产品感兴趣的话,可以
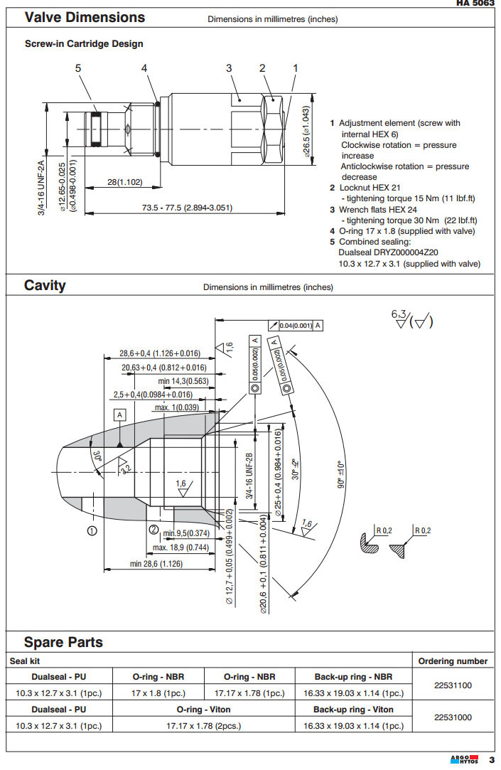
- 产品名称:SR1A-A2/S6,SR1A-A2/S10,SR1A-A2/S16,SR1A-A2/S25,SR1A-A2/S35,ARGO直式泄压阀
- 产品型号:
- 产品展商:其它品牌
- 会员价格:0.00 元
- 产品文档:无相关文档
简单介绍
SR1A-A2/S6,SR1A-A2/S10,SR1A-A2/S16,SR1A-A2/S25,SR1A-A2/S35,ARGO直式泄压阀
产品描述
SR1A-A2/S6,SR1A-A2/S10,SR1A-A2/S16,SR1A-A2/S25,SR1A-A2/S35,ARGO直式泄压阀

