无锡市昌林自动化科技有限公司
主营:电子仪器设备
设为首页
|
加入收藏
网站首页
企业介绍
产品中心
新闻资讯
资料下载
技术文章
合作客户
联系我们
产品目录
Product
液压元件 液压阀
气动元件 气动阀
液压气动辅助元件
油泵 齿轮泵 组合泵
油压液压缓冲器
真空元件及吸盘
气缸 工程缸 液压缸
气源处理
流量仪表 压力仪表
气动控制元件
阀门 流体控制
代理品牌
其他(model)
其他(model) > 电磁阀
液压气动
产品详情
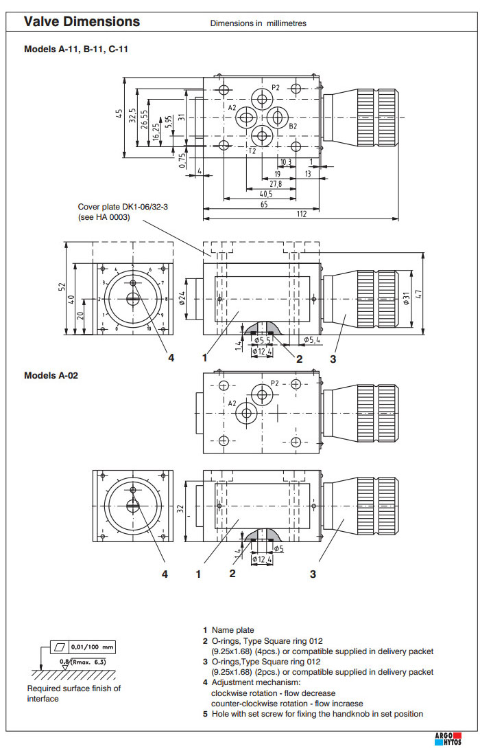
VSS1-206-6.3,VSS1-206-12,VSS1-206-22,ARGO 2路流量控制阀
如果您对该产品感兴趣的话,可以
产品名称:
VSS1-206-6.3,VSS1-206-12,VSS1-206-22,ARGO 2路流量控制阀
产品型号:
产品展商:
其它品牌
会员价格:
0.00 元
产品文档:
无相关文档
简单介绍
VSS1-206-6.3,VSS1-206-12,VSS1-206-22,ARGO 2路流量控制阀
产品描述
VSS1-206-6.3,VSS1-206-12,VSS1-206-22,ARGO 2路流量控制阀
产品留言
标题
联系人
联系电话
内容
验证码
点击换一张
注:1.可以使用快捷键Alt+S或Ctrl+Enter发送信息!
2.如有必要,请您留下您的详细联系方式!
Copyright@ 2003-2026
无锡市昌林自动化科技有限公司
版权所有
电话:13861877712 13812199898
传真:
地址:无锡市会北路28-135号(无锡光电新材料科技园)
邮编: